
電氣原理圖是根據控制線圖工作原理繪制,結構簡單,層次分明。主要用于研究和分析電路工作原理。
要想看電氣原理圖要先清楚其中的電氣原理及其符號所表示的含義。看原理圖先看主電路,再看控制電路。

對于控制電路要熟悉典型控制電路。控制電路控制電路一般是由開關、按鈕、信號指示、接觸器、繼電器的線圈和各種輔助觸點構成,無論簡單或復雜的控制電路,一般均是由各種典型電路(如延時電路、聯鎖電路、順控電路等)組合而成,用以控制主電路中受控設備的“起動”、“運行”、“停止”使主電路中的設備按設計工藝的要求正常工作。
對于復雜的控制電路,分割成若干個局部控制電路,然后與典型電路相對照,逐步分析。
各種電氣原理圖都是由各種不同的電路,如主電路,輔助電路以及各種電氣設備圖形符號和文字組成的。圖中的每個圖形符號,文字符號都有著不同的含義,必須在看圖前加以了解和掌握。
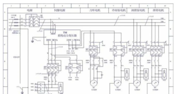
電氣原理圖一般分為主回路和輔助回路兩大部分。輔助回路的是要作用就是控制主回路,而主回路中一般通過大電流,所以它主要是用來控制回路中大功率或主要用電設備。

主電路是供給某些電氣設備電源的,它受輔助電路的控制,而輔助電路是供給控制電器電源用的,也是控制主電路動作的電路。圖中每個圖形和符號都標志著各種電氣設備,組件的名稱和作用,掌握了圖中的設備和組件的名稱及作用后,便可看圖了。
通常,在熟記電氣圖形符號的基礎上就可以閱讀電氣原理圖。看圖時,首先看主回路,其次看輔助回路,最后看照明、信號、保護等回路。
看主回路的步驟:①、看這個主回路是為什么用電設備服務的 (如電動機、電爐等),它們的用途和工作特點。

例如:電動機的起動方式,有無正、反轉,調速和制動等要求。
②、看主回路中的用電設備是用什么電器控制的
③、看主回路中其它的電器,并且了解它們起什么作用。圖中QS是電源開關,用以控制電源;FU是熔斷器,作為短路保護裝置。FR是熱繼電器,作為過載保護裝置。
④、看電源,要了解主回路的電源電壓是380伏還是220伏。
看輔助回路的步驟:①、看電源。首先要看清電源是什么電源,是直流的還是交流的,其次要看清電源是從何處接來,電壓有多大。通常,從主回路的兩根相線上接來的電源,其電壓為 380伏,從主回路的一根相線和一根零線上接來的電源,其電壓為220伏。
此外,從變壓器上接來的電源電壓有127伏、36伏、24伏或6.3伏等幾種。在圖中,輔助回路的電源線從主回路的兩根相線上接來,其電壓為380伏。

②、根據輔助回路的回路研究主回路的動作情況。在回路圖中,輔助回路不要胡子眉毛一把抓,先從小的回路看起,把每一個小回路的功能了解清楚。最后,再來看大的回路,你會發現之前稀里糊涂的原理你已經知道大半,剩下的就是把它們的功能組合起來,并了解其中制約的關系。
在圖片中,輔助回路只有一條回路。按下起動按鈕,接通斷開的回路,電流進入接觸器的線圈KM,主回路中的主觸頭閉合,于是電動機通電運轉。按下停止按鈕,回路斷開,KM斷電,接觸器釋放,主觸頭斷開,于是電動機被斷電而停止。這就是開關(或按鈕)—接觸器(或繼電器)—電動機的控制方式,這也是"起保停"的基本形式。

③、研究電器之間的相互聯系,回路中的所有電器都是相互聯系、相互制約的。有時用甲電器去控制乙電器,甚至用乙電器再去控制丙電器,在閱讀回路圖時應仔細査明它們之間的相互聯系。
看其他回路。其他回路是指照明、信號、保護等回路,這些回路-般比較簡單,只要看清它們的線路走向、回路的來龍去脈即可。
通常,每一用電設備都有不同的電氣控制回路,但任一控制回路都是由一些單元線路(即基本環節)組成的。

因此,閱圖時,可以逐步分析各個基本環節,然后再綜合起來,全面分析。如果回路比較復雜,可以先看簡單的部分,后看復雜的部分
(來源 電力之窗)
千瓦科技公眾號
千瓦科技視頻號
用手機微信掃一掃
您所計算出的排碳量為: kg
為了抵消 您的碳足跡,需種樹
棵
